
- Машина за перење стаклени шишиња VK-BR
- VK-PF машина за полнење масло со 4 глави
- VK-VC машина за вакуумско покривање
- Машина за етикетирање на тркалезни шишиња VK-RPL
Целосно автоматската линија за полнење може да се прилагоди според барањата на купувачот и примероците што ги нуди купувачот. Како подолу, таму се наведени основните информации за оваа целосно автоматска линија за полнење за прехранбената индустрија:
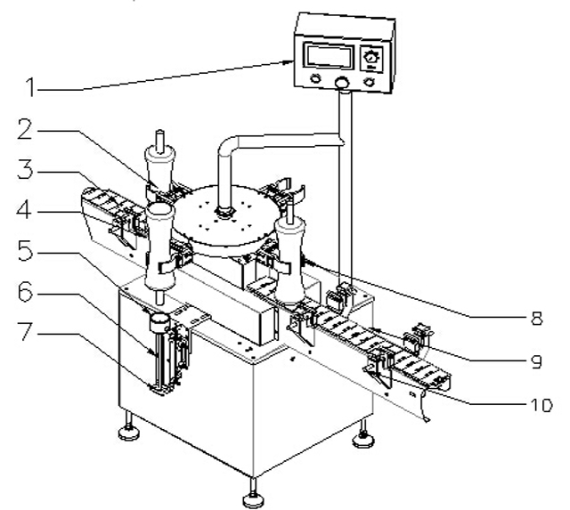
Стаклени шишиња Воздушна машина за перење вакуумска опрема за перење
Тоа е автоматска машина за перење шишиња со воздух. капацитетот зависи од прскалките за миење воздух.
Воздушниот компресор го транспортира воздухот во садот за вакуум, гасот преку електромагнетниот вентил и јонскиот генератор е прочистен, шампонот за трахеален гас дува гас во шишиња преку отворот за миење со гас, го издува туѓото од устата за миење гас со притисок на гасот, исцрпениот отпад од задниот трахеален гас кон надвор преку контрола на емисиите.

| 1 | Контролен панел | 2 | Шишиња |
| 3 | Појас за шишиња за хранење | 4 | Сензор за хранење шишиња |
| 5 | структура за фиксирање на шишиња | 6 | Инџет за плакнење |
| 7 | Електростатско Tuyere | 8 | Точка за фиксирање на шишиња |
| 9 | Појас за излез од шишиња | 10 | Лента за водич |
Основен параметар на ротациона воздушна машина за перење автоматски за стаклени шишиња:

Модел: VK-BR
Одело за шише: 20-1000 ml
Производствен капацитет: 8 млазници за чистење: 3600~4800bph
Опсег на воздушен притисок: 6~8kg/cm2
Потрошувачка на воздух: 25m3/h
Напојување: 220V 50/60Hz
Потрошувачка на енергија: 0,75Kw
Шум од една машина: ≤70dB
Прочистен воздух: 0,2μm
Време на чистење: 3~5 секунди
Нето тежина: 350 кг
Целокупна димензија: 1200 x 800 x 1600 mm
Машина за полнење масло со 4 глави Линеарно полнење

Машината за полнење маслинки со 4 глави, контролирана од микрокомпјутерот, ја комбинира фотоелектричеството со пневматско работење, така што широко се применува за течно полнење на земјоделската хемикалија, раствор, течен детергент, козметика, како и маслиново.
Волуменот на полнење е прецизен, без пена и стабилен. Машината може да ја пополни течноста со опсег од 25-1000 ml, а во меѓувреме нема посебни барања за формите на шишињата. Односно, може да ја наполни течноста за вообичаените шишиња, како и за шишињата во форма на иругула.

Модел: VK-PF
Опсег на полнење: 50-3000 ml
Брзина на полнење: <20-30b/m (за 500-1000 ml течност)
Точност: ±1%
Напојување/напојување: 0,8 kw, 220v
Работен притисок: 5-6 kg/cm3
Потрошувачка на воздух: 0,5-0,7mpa
СЗ: 500 кг
Надворешна димензија: 2000×800×1900mm
Означи: Млазниците за полнење можат да бидат дизајнирани и произведени според барањата на клиентите за опсегот на полнење и брзината на полнење
Линеарна вакуумска машина за покривање Vk-Vc Опрема за капа за тегли:
Оваа линеарна машина за покривање е истражувана и развиена од нашата компанија со долгогодишно искуство, таа е единствена во домашни услови. Интегрирано автоматско уредување на капачињата со покривка, вакуумско капаче.
Усвоена рачна вакуумска пумпа за да се постигне висок вакуум. Со функциите без шише без покривка, алармантно кога нема достапни капачиња. Уживаше во висока автоматизација. Главните пневматски и електрични делови се од светски познати брендови.
Со стабилни и сигурни перформанси. Широко се користи за вакуумско покривање на стаклени тегли со железни капачиња во индустриите на конзервирана храна, пијалоци, зачини, производи за здравствена заштита итн.

Моќност: ≤2,3KW (вклучувајќи ја вакуумската пумпа)
Производствен капацитет: 50-60BPM
Дијаметар на капачето: 30-55 мм 50-85 мм
Висина на шише: 80-250 mm
Дијаметар на шише: 30-85 мм
Максимален вакуум: -0,08mpa
Торзија на капа: 5-20 N.M
Потрошувачка на воздух: 0,6M3/0,7Mpa
Димензии на машината: Околу 3000×1000×1900мм
Тежина: околу 850 кг
Vk-Rpl Машина за етикетирање тегли за тркалезни шишиња

Апликација: Потребна е обиколна површина на етикетата или производот прикачена на мембраната.
Индустрија: Широко се користи во храната, медицината, козметиката, козметиката, електронската, металната, пластиката и другите индустрии.
Апликација: ПЕТ етикетирање на тркалезни шишиња, етикетирање на пластични шишиња, конзервирана храна и така натаму.

Соодветна должина на етикетата (mm): 20mm ~ 314mm
Применлива ширина на етикетата (широчина на хартија за поддршка / mm): 15 mm ~ 150 mm
Применливи производи дијаметар (за тркалезно шише) и висина: дијаметар: φ25mm ~ φ100mm
Висина: 25mm ~ 230mm
Применлив стандарден дијаметар на ролна (mm): φ280mm
Применлив стандарден дијаметар на ролна (mm): φ76mm
Точност на означување (mm): ± 1mm
Стандардна брзина (m / min): Серво: 5 ~ 25 m/min Чекор: 5 ~ 19m/min
Брзина на етикетирање (парчиња / мин): Чекор: 30 ~ 80 парчиња / мин (со шишето и големината на етикетата)
Серво: 40 ~ 120 парчиња/мин
Брзина на транспортер (m / min): 5 ~ 25 m/min
Тежина (кг): околу 185 кг
Фреквенција (HZ): 50HZ Напон (V): 220V
Моќност (W): 530W (степер за влечење) 980W (серво за влечење)
Димензии на уредот (мм) (Д × Ш × В): 1950 мм × 1100 мм × 1300 мм


Пакување од дрвени куќишта:

Служба по продажба за линија за полнење

Го гарантираме квалитетот на главните делови во рок од 12 месеци. Доколку главните делови тргне наопаку без вештачки фактори во рок од една година, ние слободно ќе ви ги обезбедиме или ќе ви ги одржуваме. По една година, ако треба да смените делови, љубезно ќе ви ја обезбедиме најдобрата цена или ќе ја одржуваме на вашата страница. Секогаш кога имате техничко прашање при користењето, ние слободно ќе се потрудиме да ве поддржиме.
Гаранција за квалитет:
Производителот гарантира дека стоката е направена од најдобрите материјали на производителот, со првокласна изработка, сосема нова, неискористена и во секој поглед одговара на квалитетот, спецификациите и перформансите како што е пропишано во овој договор. Периодот за гаранција за квалитет е во рок од 12 месеци од датумот B/L.
Производителот ќе ги поправа договорените машини бесплатно во периодот на гаранција за квалитет.
Ако дефектот може да се должи на неправилна употреба или други причини од страна на Купувачот, производителот ќе ги наплати трошоците за делови за поправка.
Инсталација и дебагирање:
Продавачот ќе ги испрати своите инженери да научат инсталација и дебагирање. Трошоците би биле сноси на страната на купувачот (билети за повратен пат, такси за сместување во земјата на купувачот). Купувачот треба да обезбеди помош за неговата локација за инсталација и дебагирање.









