
- Брзина на затварање: 15-30 парчиња/мин
- Номинален напон: 110 V/60 Hz (американски стандард)
- Моќност на машината: 0,8KW
- Ампери: 2,2 А
- Надворешна димензија: 2230*1460*1600 MM(L*Ш*В)
- Воздушен притисок: 0,7 MPa
- Тежина: околу 300 кг
Известување пред да ја стартувате машината за покривање шишиња
1: Пред да се вклучи машината, проверете дали прекинувачот за напојување е во затворена состојба, а потоа следете ги упатствата.
2: Ако машината не работи долго време, треба да се избрише со парче сува крпа и не смее да се чисти со какво било корозивно средство за чистење.
3: Строго е забрането исфрлање на каква било течност во електричната кутија на машината, за да се избегне корозија на внатрешните електрични компоненти и да се предизвика краток спој.
4: Проверете според моделите на списокот за пакување на опремата, спецификациите и количината на опремата и материјалите за да бидете сигурни дека ги исполнуваат барањата на стандардите за дизајн и производи и придружени со сертификати за сообразност.
5: Проверете го изгледот на опремата за да се уверите дека е ослободена од какви било деформации, оштетувања и корозија и дека сите вретена треба флексибилно да се вртат без никаква блокада.
6: Оваа машина работи под еднофазна наизменична струја 110V, а рамниот приклучок за напојување со три краци треба да се приклучи во штекерот со жица за заземјување.
Технички параметри

- Брзина на затварање: 15-30 парчиња/мин
- Номинален напон: 110 V/60 Hz (американски стандард)
- Моќност на машината: 0,8KW
- Ампери: 2,2 А
- Надворешна димензија: 2230*1460*1600 MM(L*Ш*В)
- Воздушен притисок: 0,7 MPa
- Тежина: околу 300 кг
Машина за покривање во детали:



Структури на машината

Опис на електрично око со оптички влакна
Електрично око за откривање шишиња:

Кога се работи во автоматски режим, целта на ова електрично око е да ги открие влезните шишиња.
Кога ќе се открие влезното шише, „грамофонот“ се ротира.
Капак-Електрично око за испорака

Кога се работи во автоматски режим, целта на ова електрично око е да открие влезни капаци.
Кога ќе се открие влезниот капак, „механизмот за вадење“ се крева за земање материјал.
Капак-Електрично око за испорака

Кога се работи во автоматски режим: Целта на ова електрично око е да открие влезни шишиња.
Кога ќе се открие влезното шише, „механизмот за заклучување на капачето“ го ротира капачето за заклучување надолу.
Копче за прекинувач и приклучок за поврзување
Екран на допир и итно стопирање

Контролер за вибрации на моторот и капакот

Контролор за вибрациона плоча

Контролер на вибрациона плоча: со прилагодување на напонот, прилагодете ја брзината на празнење.
Прекинувач за напојување и приклучоци

Контролор на моторот

Фреквентен трансформатор: со прилагодување на копчето за трансформатор на фреквенција, прилагодете ја брзината на моторот.
Аларм и метод за отстранување проблеми:
1. Притиснато е итно стопирање. Притиснете ги запирањата за итни случаи на капачето на машината и до екранот на допир.
2. Излезот ја достигнува поставената вредност. Поставете го излезот, притиснете го копчето за бришење за да го исчистите тековниот излез.
3. Кога капи не се откриени подолг временски период, ве молиме проверете. Проверете го индукциското влакно на капачето од шишето дали е добро обезбедено. Проверете дали капачињата се поставени или не.
4. Кога шишињата не се откриени подолг временски период, ве молиме проверете. Проверете дали шишињата се на место.
Електрично прилагодување на очите:
Структура на засилувач

Дијаграм за оптички влакна:

1. Лента за заклучување со оптички влакна
2. Индикатор за оперативен статус
3. Поставете
4. Показно светло за DSC
5. Дигитален монитор
6. Рачно копче
7. Проширена заштитна обвивка
8. Проширен конектор
9. Прекинувач за избирање напојување
10. Копче за режим
11. Изборник за излез
12. Кабли
13. Заштитник од прашина
14. Поставете вредност (во зелено)
15. Тековна вредност (во црвено)
Работен процес за поставката за оптички влакна
- Кога електричното око паѓа во јазот, вредноста на црвената струја е 144.
- Кога електричното око паѓа на етикетата, вредноста на црвената струја е 4.
- Прилагодете ја поставената вредност", околу 1/2 од вредноста што ја има електричното око на хартијата на телото (во јазот помеѓу предметите што треба да се детектираат) и вредноста што е електричното око на хартијата поставената вредност е (144 4)/2=74, прилагодете го рачното копче за да ја прилагодите поставената вредност на 74.
- Поместете ја празнината на етикетата напред-назад во локацијата на електричното око и црвеното „сигнално светло/показно светло“.
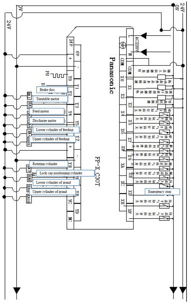
Дијаграм на кола



Машина за покривање шишиња за одржување

1. Неопходно е да се провери и одржува машината за да се издолжи машината и да се оптимизира функцијата на машината;
- Работната машина треба да се одржува на секои три месеци;
- Делот на лежиштето и менувачот мора да се подмачкаат со маснотии;
- Подмачкувањето мора да се врши периодично;
- Маслото за лизгање (N68) треба да се додаде во делот како движење на механизмот за движење или подигнување два пати на ден;
- Автомобилското масло (N68) треба да се додаде во ротационите или занишаните делови;
- Секој половина месец додавајте ја маста во отворот за камери;
- Секој месец еднаш за млазницата за масло со додавање на маснотии;
2. Никогаш не користете метални алати за да ја удирате или стругате површината каде што се спојува спојувањето на делови како компоненти или мувла.
3. Ако машината престане да работи подолго време, додадете ја маста за подмачкување во деловите како менувачот или лежиштето; Исто така, третирајте ја машината со водоотпорна заштита.
4. Никогаш не ставајте предмети на машината за да не ја оштетите машината.
5. Периодично чистете ја прашината внатре во компонентите, исто така, проверувајте ги сите завртки и фиксирајте ги сите олабавени завртки.
6. Проверете ги завртките во терминалите за жици во одредено време и уверете се дека завртката е фиксирана;
7. Проверете дали има некоја лабава станица во истегнатата патека за поврзување од електричните кутии; Ако делот е премногу лабав, повторно фиксирајте ја завртката за да избегнете триење или оштетување на изолациониот слој што може да предизвика електрично истекување.
8. Проверете ги лесно носените тапаци и сменете ги оштетените навреме;









