
- Глави за покривање: 2 парчиња серво-мото возење
- Напон: 220V, 50/60HZ;
- Моќност: 3,0 Kw
- Воздушен притисок: 0,5–0,7Mpa
- Ампери: 8,5 А
- Брзина: 40-45/мин. (приспособено според формите и големините на теглите)
- Соодветен дијаметар на производот: φ28-φ125мм капаци (Нестандардно приспособени)
- Стапка на минување на жлездата: ≥99,5% (Во зависност од грешката на капакот и шишето)
- Големина на машината: 3300*1150мм*1908мм
- Тежина: 450 кг
Пред да го вклучите напојувањето на машината. Ве молиме внимателно прочитајте го ова упатство за безбедносни прашања и правилна употреба на машината. За да избегнете несреќи на персоналот и да ја намалите зачестеноста на оштетувањето на машината.
Во случај на корозивни производи, внимавајте да избегнете корозивни предмети да се допрат или прскаат врз самата машина и персоналот.
- Избегнувајте да ја користите машината на места кои се изложени на вибрации или судир.
- Кога машината работи, телото на персоналот не може да ги допира подвижните делови.
- Машината треба да се избегнува на претерано влажни места. И внесете го во напојувањето, правилно заземјена жица, За да избегнете безбедносна несреќа.
- Операторот треба да одржува нормална физичка и ментална состојба.
- Раководителот мора да носи соодветна облека за да избегне повреда предизвикана од зафаќањето на облеката во деловите што се тркалаат и не смее да става никакви надворешни предмети на машината.
- Ако се појават бучава или други абнормалности за време на употребата, веднаш застанете и проверете. Неинженерски техничари, ве молиме не произволно префрлајте ги деловите на машината.
- Редовно (еднаш/неделно) одржување и нега, избегнување на прскање вода или течност и електронски контролни кутии или други електрични компоненти при чистење на машината.
- Работете според вообичаените работни процедури и одржувајте ја површината на машината чиста и уредна.
Машината за капа се применува на сите видови козметика, медицина, ветеринарна медицина, пестициди, масло за подмачкување и други индустриски полиња во процесот на пакување.





Принцип и карактеристики на машината за покривање тегли:
- Електрична автоматска контрола, таа е стабилна;
- Со уред за позиционирање на затворање, стандарден заклучен капак, операцијата е погодна;
- Заклучување покриваат широк опсег, може да се вртат различни форми спецификации на капа;
- Ограничувањето на брзината, затворот на центрифугата, истовремено може и според потребата да се прилагоди затегнатоста на премотувањето назад.


Основни параметри на машината за покривање козметички тегли:

1. Глави за покривање: 2 парчиња серво-мото возење
2. Напон: 220V, 50/60HZ;
3. Моќност: 3,0Kw
4. Воздушен притисок: 0,5--0,7Mpa
5. Ампери: 8,5А
6. Брзина: 40-45/мин. (приспособено според формите и големините на теглите)
7. Соодветен дијаметар на производот:φ28-φ125мм капаци (Нестандардно приспособени)
8. Стапка на минување на жлездата:≥99,5% (Во зависност од грешката на капакот и шишето)
9. Големина на машината: 3300 * 1150 мм * 1908 мм
10. Тежина: 450 кг
Опис на дел од домаќинот


Прекинувач за напојување: Контролирајте го напојувањето вклучено--исклучено.
Индикатор за напојување: вклучување-зелено светло вклучено, исклучување---зелено светло исклучено.
Итно стопирање: Се користи за веднаш да се запре машината или за ресетирање на функцијата при итен случај или дефект.
1. Стартувај фотоелектрик: Машината работи, кога фотоелектричната детекција ќе открие дека има шише и има капак, грамофонот може да почне да работи. Ако еден од двата фотоелектрика не се открие, грамофонот не се ротира.
2. Фотоелектрично потекло: Се користи за контрола на чекорниот мотор за придвижување на позиционирањето на грамофонот, така што шишето може непречено да се вметне во капакот.
3. Капа фотоелектрицитет: Проверете дали капакот е на место и фотоелектрично откријте дека има капак грамофон за ротирање.
4. Покријте фотоелектрицитет: Контролирање на стартот и стоењето на машината за горниот капак, кога капакот обезбеден од машината за горниот капак е подреден на позицијата што ја детектира фотоелектрикот, фотоелектричеството е секогаш светла, машината за покривање запира за капакот и интелигентниот капак е имплементиран .
5. Фотоелектрицитет на капакот за заклучување: Кога ќе помине шишето со капакот, се открива фотоелектричната детекција, а капакот за заклучување се активира според поставеното време на одложување (специфичните параметри се прилагодуваат според брзината на подвижната лента кога машината се прилагодува).
6. Систем за капак за заклучување: Шишето со капакот е исто, фотоелектричното доцнење на стартувањето, доцнење на шишето на стегачот на цилиндерот, капачето за заклучување е спуштено, капакот на држачот - капачето за завртка - ослободување на држачот - капачето за заклучување се крева - шишето со клип е олабавено, и процесот на капачето за заклучување е завршен. Во капакот на бравата, кога капакот за заклучување 1# е во капакот на бравата, влегува друго шише. Во тоа време, цилиндерот на шишето со стегач 2# се поместува, а капакот за заклучување 2# се активира за да го заклучи капакот. капак за заклучување.

Опис на интерфејсот човек-машина

Страница за подигање
3.1 Страницата за подигање има англиски, кинески избор на операција, ако го изберете копчето Кинески, внесете го следниот интерфејс:

Втор интерфејс
Стоп: Прекинувачот за стартување на целата машина, допрете го ова копче, машината работи во автоматски режим, повторно допрете го ова копче, машината престанува да работи.
Тест порта: Тестирајте ја работата на машината.
Брзина на вртење: Колку е поголем параметарот на брзината, толку е поголема брзината, толку е побавен параметарот за брзина. (Но, постои максимална граница.).
Доцнење на грамофонот: Поставки за време на стартување на грамофонот, во согласност со ефектот на непречено трчање на грамофонот.
Доцнење за ограничување: По грамофонот до назначената станица, одложете го времето на чекање, акционото капаче на цилиндерот.
Време на ограничување: Времето потребно за запечатување на цилиндерот.
Излез: Пополнете го записот за бројот на капакот на бравата, удобен број на производство. Притиснете го копчето за ресетирање за да се избрише.
X1. X3. X14: Проверете дали фотоелектрикот е во работна состојба на рефлексијата, лесно е да се види работата на состојбата на машината,
Параметар за ограничување: Притиснете го ова копче и внесете го следниов интерфејс:

Интерфејсот е страница со параметри што треба да се постави за секое дејство на главата за заклучување 1 # во системот за капакот на серво-бравата, разумното поставување на параметрите е корисно за стабилноста на машината и за подобрување на ефикасноста.
Враќање: Притиснете го ова копче за да се вратите на вториот интерфејс.
Влез/излез: Притиснете го ова копче за да влезете во следниот интерфејс:

Точки од серијата X: Дали е влезната точка за откривање дали фотоелектрикот е во работна состојба, лесно се гледа работата на машината, лесно се одржува.
Точки на серијата Y: Дали излезната точка на извршните компоненти на нормална состојба на повратни информации, исто така може рачно да го притиснете контролното копче за да тестирате дали извршувањето компоненти се нормални.
Систем за хранење капа: Може да биде стабилен и уреден според пропишаната насока за покривање.
Приспособување на навалување: разумен агол може да се прилагоди за да се контролира назад капакот не се качува во лизгачот.
Регулација на фреквентен конвертор: контролирајте ја брзината на капакот.


Одржување на опрема за покривање тегли:
1. Одржувајте ја машината во состојба на исклучување на струја и исклучен гас за да се обезбеди безбедност. Чувајте ја машината чиста и уредна, без разни работи на машината, без мали предмети, додатоци, завртки итн.
2. И маслото за подмачкување редовно се додава на механизмот на подвижниот дел за да се обезбеди добра состојба на работа на механизмот.
3. Редовно испуштајте вода од единицата за филтер за воздух и додавајте масло за подмачкување за да обезбедите правилна употреба на цилиндерот и да го продолжите работниот век.
4. Редовно проверувајте ја и поправајте ја машината. Проценете ја состојбата на опремата за работа преку видот и увото за да бидете сигурни дека машината работи добро.
Забелешка: ве молиме користете и одржувајте во строга согласност со упатствата, гарантниот период е строго забранет за отворање и расклопување, инаку штетата предизвикана од ова како човечка штета, без бесплатна поправка. Ова упатство може да се промени без претходна најава; ако сè уште постои неизвесност за работата на оваа машина, ве молиме јавете ни се во секое време за прашања
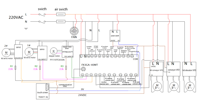
Приложена електрична шема:

Готовите затворени капачиња земаат примероци од машината за покривање тегли:





Ознаки: бидејќи квадратните црни тегли поради капачињата се подложни на гребење, тој е дизајниран со системот за подигање да ги извлекува капачињата од теглите и да ги стави во станицата подготвена за покривање за процесот на затворање на капачињата. Деталниот принцип на работа е илустриран на следниов начин: Работен процес:
1. Рачно ставање на капачињата во фиоката (15*15 или 10*10)

2. Ставање на фиоките во станицата за готово подигнување
3. Роботи ги собираат теглите

4. Позиционирање на шишињата и завршување на процесот на покривање
5. Излез на затворени тегли











